元高専生のロボット作り
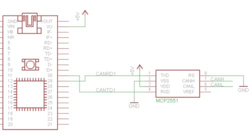
mbedとWindows 10とでCAN送受信します。必要なもの mbed LPC1768 ×1 CANale pro ×1 MCP2551モジュール ×1 ja.aliexpress.comja.aliexpress.com USB-CAN変換はamazonとかで売ってるのもあるね 接続接続はmbed Handbookのとおり 今回はpin29, 30のみ使用しまし…
引用をストックしました
引用するにはまずログインしてください
引用をストックできませんでした。再度お試しください
限定公開記事のため引用できません。